0755-2826 3345

En

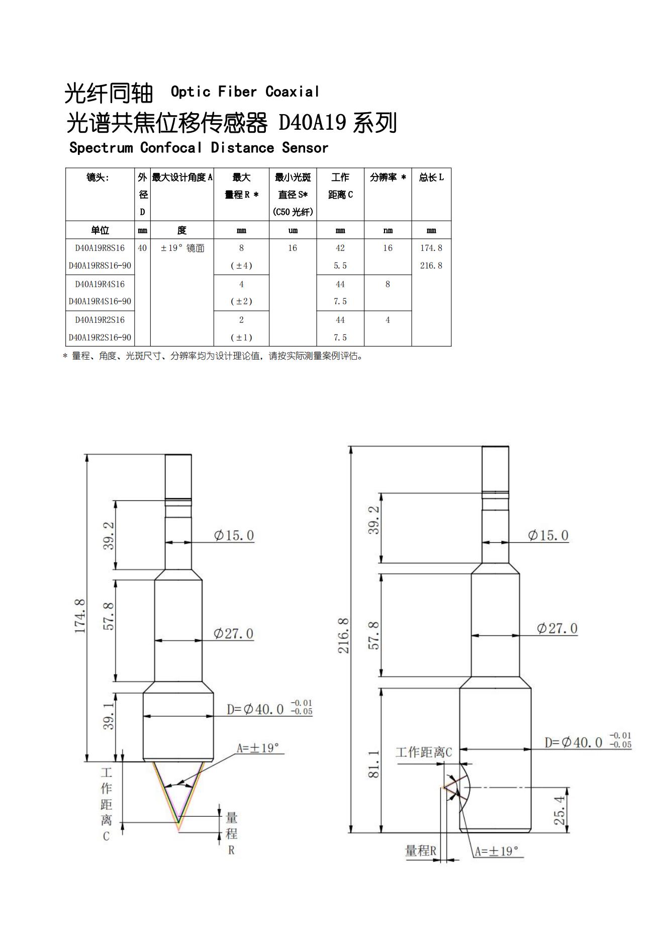
光谱共焦位移传感器 D40A19 系列镜头

性能特性与D40A17相近,长度略长,角度性能更大 直径40mm,适中尺寸可满足大多数安装场景 此款拥有90度出光镜头版本,可用测量侧面尺寸

提交需求

提交

下载资料

请输入需要填写的信息,并输入正确的验证码进行验证既可下载,请确保信息准确无误。

我们将尊重您的隐私权,并承诺会对您的个人信息和其他数据进行严格保密。

姓名

公司名(必填)

手机号(必填)

验证码

立即验证
Baidu
map