0755-2826 3345

En

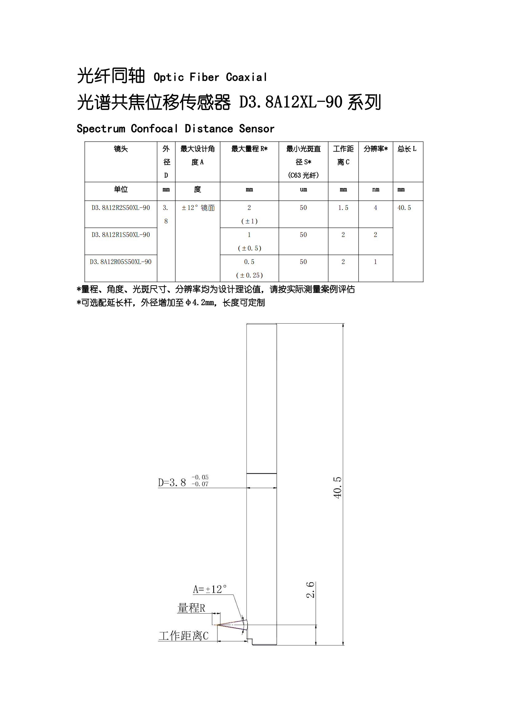
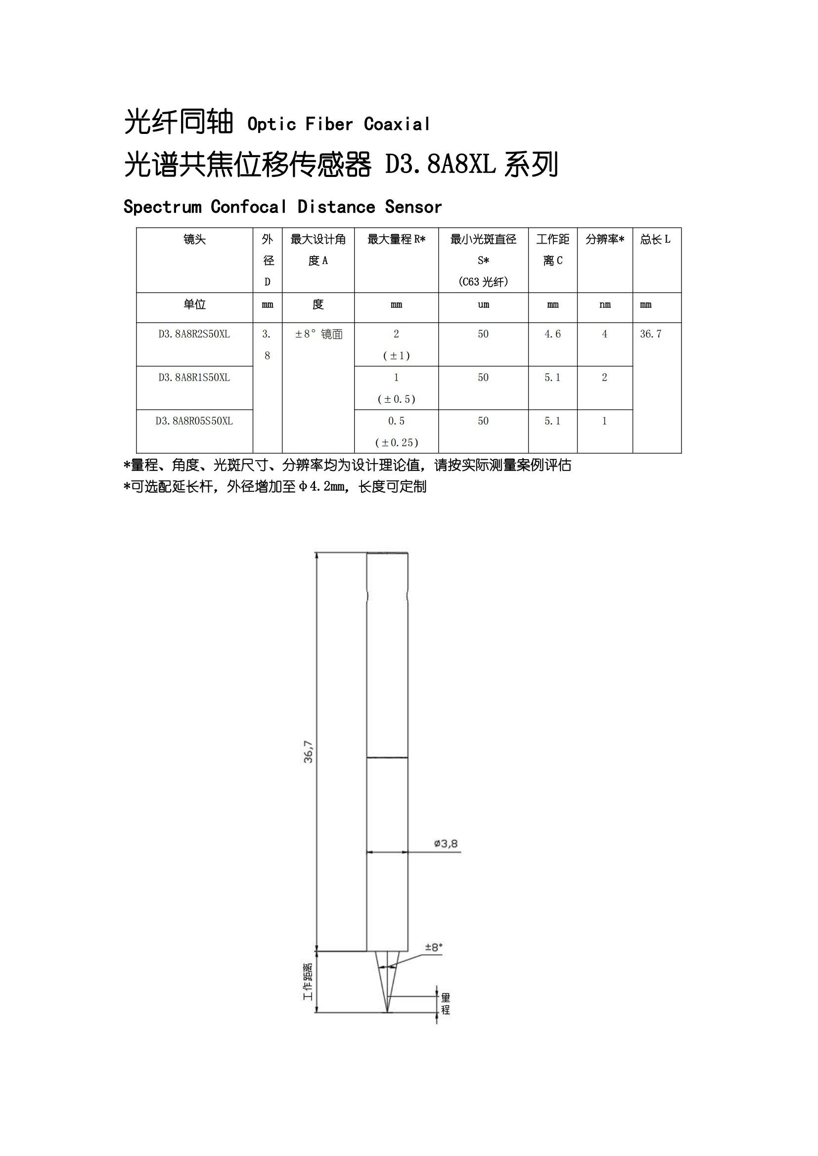
光谱共焦位移传感器 D3.8A8XL和D3.8A12XL-90系列镜头

镜头:外径D:3.8毫米 设计角度有±8°和±12°两种,其中±12°是90°出光侧头

提交需求

提交

下载资料

请输入需要填写的信息,并输入正确的验证码进行验证既可下载,请确保信息准确无误。

我们将尊重您的隐私权,并承诺会对您的个人信息和其他数据进行严格保密。

姓名

公司名(必填)

手机号(必填)

验证码

立即验证
Baidu
map